Аудио-википедия

База знаний по hi-fi и high-end технике и комплектующим, отзывы и впечатления

Инструменты пользователя

Инструменты сайта


Боковая панель

1tubes:211

211

Характеристики

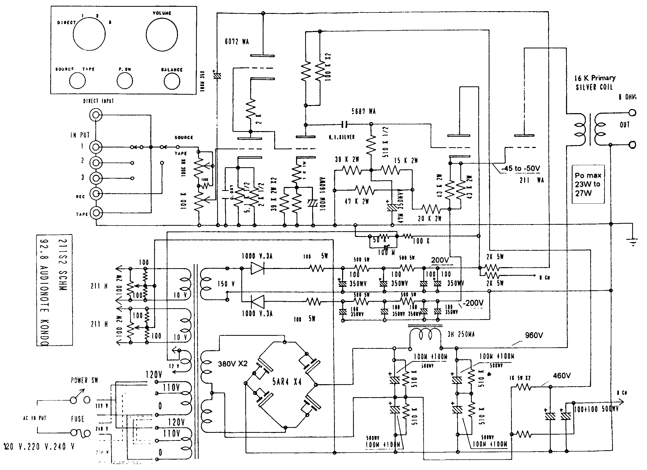
Схемы

Audio Note Ongaku

Отзывы

Только авторизованные участники могут оставлять комментарии.
1tubes/211.txt · Последнее изменение: 2020/02/29 16:18 (внешнее изменение)