Аудио-википедия

База знаний по hi-fi и high-end технике и комплектующим, отзывы и впечатления

Инструменты пользователя

Инструменты сайта


Боковая панель

4amps:8br:нэм

НЭМ

Новосибирская Электротехническая Мануфактура (НЭМ) занимается разработкой и производством элитной ламповой звукотехники с 1999 г.

http://nemrussia.ru/ru/products http://www.dvdworld.ru/cgi-bin/audioarchiv.pl/read/146048

Схемы

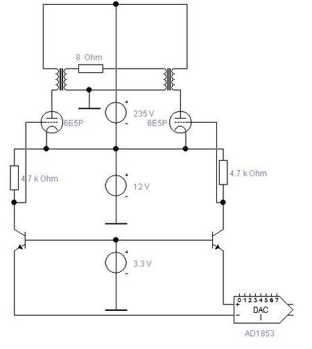
nem.jpg
Для уменьшения выходного напряжения можно или уменьшить коллекторные резисторы (одновременно уменьшая анодное) или понизить коэффициент трансформации. В первом случае выходное сопротивление почти не изменится (зависит от изменения Ri в новой рабочей точке) , во втором лишь немного упадет, т.к. основной вклад будут вносить сопротивления обмоток.

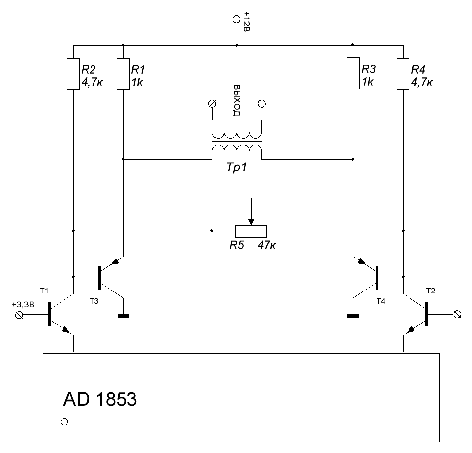
выложена ещё одна схемка вых. каскада ДАКа. Применение повторителей позволило резко снизить требования к вых. трансформаторам. Надо лишь, чтобы индукция первичной обмотки оставалась в приемлемых пределах при амплитуде 6В. Трансформатор понижающий 2:1, но это совершенно не принципиально.
Достоинства схемки – вых. сопротивление определяется лишь трансформатором, питание низковольтное (например, от аккумуляторов), всё компактно и может быть использовано как часть усилителя (с тр-ров сигнал на первую лампу). Регулятор громкости тоже не принципиально ставить именно там, а можно и вообще не ставить. Но если таки ставить, то такое включение облегчает установку «суперпрецизионного супергегулятора» на основе галетника с набором резисторов. В данном случае в цепи сигнала будет только по одному резистору, а это уже претензия на хаенд. В случае интегрирования этой схемки в усилитель с лампой на входе, можно обойтись и без трансформатора, но тогда питание каналов усилителя придётся делать полностью раздельным.
К недостаткам в первую очередь можно отнести практически полное отсутствие фильтрации, что ограничивает применение схемки совместно с усилителями с ОООС. Кроме этого, в отличии от ДАКа с лампами на выходе, настраивать звучание этой схемки можно лишь резисторами R1-R4. От их типов фактически зависит характер звука. Что опять таки ограничивает применение схемки как отдельного устройства. Но не отменяет при благоприятном сочетании типов резисторов.
Сергей Рубцов.

https://audioportal.su/threads/lampovyj-vyxod-v-cap.9503/

Только авторизованные участники могут оставлять комментарии.
4amps/8br/нэм.txt · Последнее изменение: 2021/07/12 15:51 — staudio