Перейти к содержанию
Аудио-википедия
База знаний по hi-fi и high-end технике и комплектующим, отзывы и впечатления
Инструменты пользователя
Зарегистрироваться
Войти
Инструменты сайта
Найти
Инструменты
Показать исходный текст
История страницы
Свернуть / развернуть всё
Ссылки сюда
Недавние изменения
Управление медиафайлами
Все страницы
Зарегистрироваться
Войти
>
Недавние изменения
Управление медиафайлами
Все страницы
Вы находитесь здесь:
Audio-wiki
»
Усилители
»
Бренды
»
McIntosh
Вы посетили:
•
Sonus Faber
•
Система Полковника Кубанского
•
AIE
•
Пленка
•
Стабилизация питания
•
Faital Pro
•
Катодная обмотка выходного трансформатора
•
McIntosh
Боковая панель
Лампы
4amps:8br:mac
Содержание
McIntosh
C11
C8
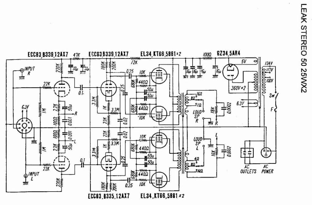
Leak Stereo 50
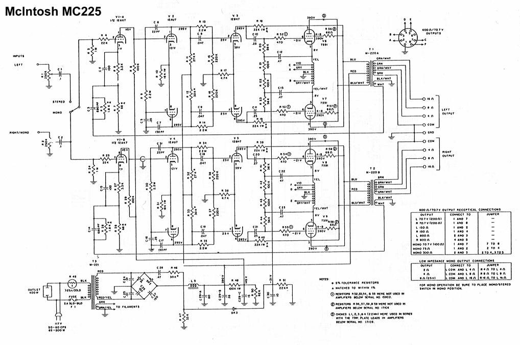
MC 225
MC 275
MC 30
MC 3500
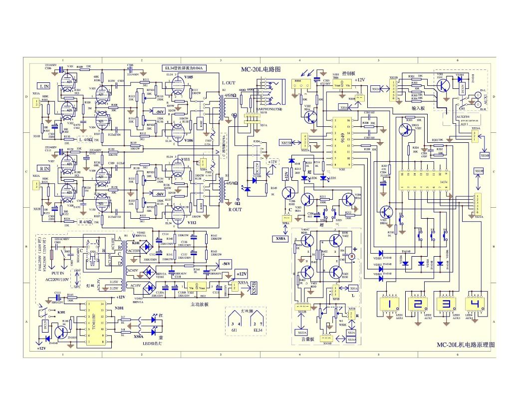
MC 20L
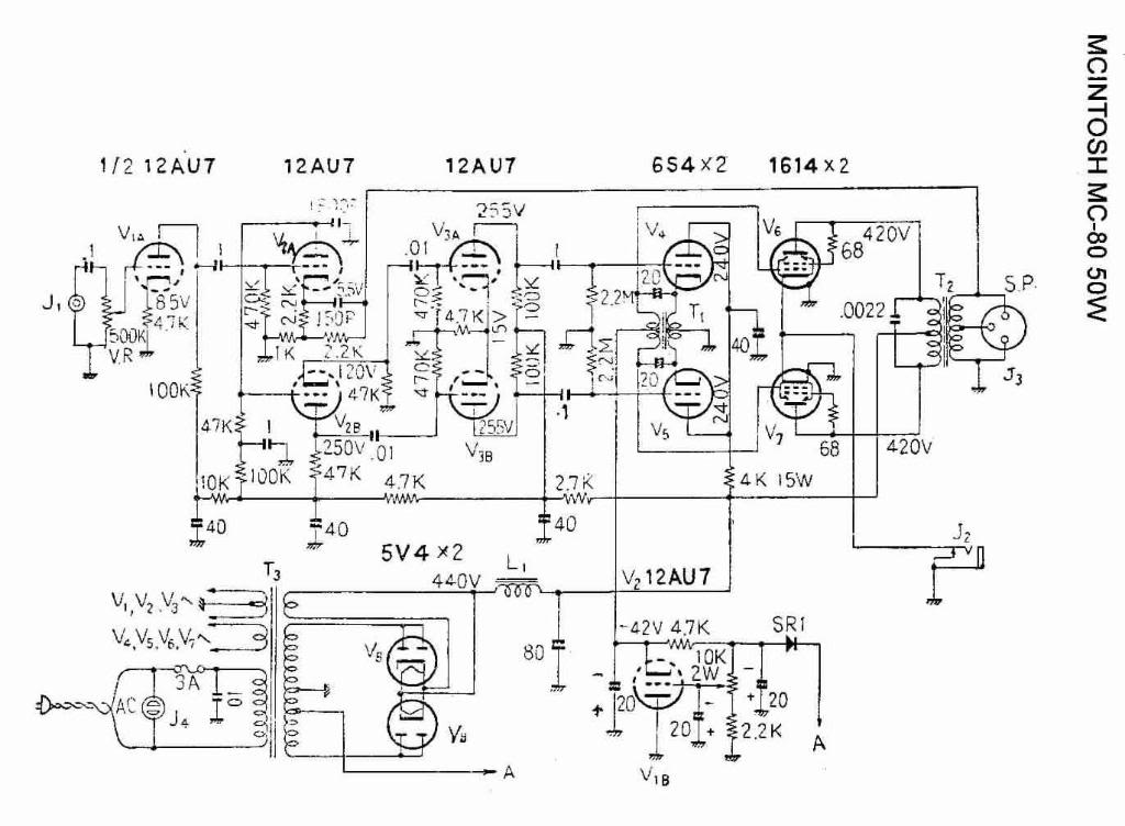
MC 80
Обсуждение
McIntosh
C11
C8
Leak Stereo 50
MC 225
MC 275
MC 30
MC 3500
MC 20L
MC 80
Только авторизованные участники могут оставлять комментарии.
4amps/8br/mac.txt
· Последнее изменение: 2020/02/26 15:37 (внешнее изменение)
Инструменты страницы
Показать исходный текст
История страницы
Ссылки сюда
Свернуть / развернуть всё
Наверх